Проект 23976
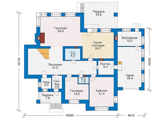
| Площадь - общая: | 319.90м2 | |
| Площадь - жилая: | 122.80м2 | |
| Габаритные размеры: | 16.74 х 20.67 | |
| Кол-во комнат: | 5 | |
| Количество этажей: | 2 этажа | |
| Фундамент: | монолитный ж/б | |
| Материал стен: | поризованный кирпич | |
| Материал перекрытий: | монолитные ж/б | |
| Материал кровли: | металлочерепица | |
| Отделка фасада: | штукатурка | |
| Комплектация проекта: | АР, КР | |
| Стоимость проекта: | 000 грн. | |
Смотрите также
Строительство дома
Дом-«улей» и дом-«летающая тарелка»Долговечный, энергоэффективный, комфортный для жизни, вместе с тем с необычной архитектурой фасадов, самобытный – именно такой дом можно построить, применяя инновационные технологичные материалы.
Проект и согласование
Услуги по приобретению права собственности или пользования (аренды) земельным участкомРегистрация права собственности и права пользования на земельные участки - это официальное подтверждение таких юридических фактов, как возникновение и прекращение права, а также переход прав.
Вынос в натуру границ участкаДля точного определения координат используются тахеометры и спутниковая навигация.
Инженерия
Как выбрать кондиционер для разных помещений?Сложность решения также сводится к огромному ассортименту предложений. С одной стороны это очень хорошо, а с другой – просто сбивает с толку покупателя. В таких случаях, чтобы купить кондиционер удобно использовать многофункциональный сервис поиска товаров в интернет-магазинах E-Katalog, где...
Как сделать поверхностный водоотводПоверхностный водоотвод легко можно обустроить своими руками. О том, как это делать, и что следует использовать, далее.

























Комментарии
Оставить комментарийВы не зарегистрированные на сайте. Авторизуйтесь или зарегистрируйтесь пожалуйста.